Il Manuale di Manutenzione per la tua Gilera Typhoon 50: Guida Completa e Dettagliata
La Gilera Typhoon 50 è uno scooter che incarna lo spirito del divertimento su due ruote, un compagno agile e scattante per la mobilità urbana. Per mantenere questo spirito vivo e garantire prestazioni ottimali nel tempo, una manutenzione regolare e informata è fondamentale. Questo articolo si propone di esplorare in dettaglio l'importanza di un manuale di manutenzione specifico per la Gilera Typhoon 50, analizzando le informazioni contenute, i benefici derivanti dal suo utilizzo e come esso possa trasformare l'esperienza di possesso e cura del proprio mezzo.
L'Essenza di un Manuale di Manutenzione: Oltre la Semplice Carta
Un libretto di manutenzione non è semplicemente un raccoglitore di dati; è uno strumento indispensabile per ogni proprietario di veicolo che desideri prendersi cura della propria moto o scooter in modo efficace e consapevole. Come evidenziato da diverse testimonianze, "È una cosa molto bella quando una moto viene acquistata senza il libretto di manutenzione" e "Il libretto di manutenzione è un libretto necessario per registrare il chilometraggio del veicolo, cosa è stato fatto e quando". Questo strumento permette di avere "tutto in un unico posto", trasformando la manutenzione da un'attività potenzialmente caotica a un processo organizzato e documentato.
La qualità del materiale, come la "carta di buona qualità" e una "bella rilegatura", contribuisce a creare un oggetto "esteticamente molto curato", come spesso viene descritto questo tipo di manuali. La facilità di lettura è un altro aspetto cruciale: "Molte opzioni che non si penserebbe mai di controllare o annotare e, naturalmente, molto facili da leggere". Questo si traduce in un accesso rapido alle informazioni necessarie, evitando la frustrazione di dover cercare "senza doverli cercare".

Contenuti Essenziali del Manuale per la Gilera Typhoon 50
Sebbene il materiale fornito si riferisca a manuali di manutenzione in generale e a specifici modelli di scooter e moto, possiamo estrapolare i contenuti tipici e fondamentali che un manuale per la Gilera Typhoon 50 dovrebbe includere.
- Schede Tecniche Dettagliate: La "scheda dei dati tecnici" è un punto di riferimento cruciale. Per la Typhoon 50, ciò includerebbe specifiche come le dimensioni del motore, la cilindrata, la potenza, le specifiche del sistema di raffreddamento, il tipo di trasmissione, le dimensioni degli pneumatici, le specifiche della batteria e del sistema di illuminazione. La consultazione di queste schede è fondamentale per comprendere appieno le caratteristiche intrinseche del proprio veicolo.
- Coppie di Serraggio: Un aspetto spesso sottovalutato ma di vitale importanza per la sicurezza e la longevità del veicolo sono le "coppie di serraggio delle viti". Un manuale completo fornirà i valori precisi per ogni bullone e dado critico, garantendo che i componenti siano fissati correttamente, evitando danni da serraggio eccessivo o insufficiente. Questo è particolarmente importante per interventi su motore, sospensioni e freni.
- Programma di Manutenzione: Il manuale dovrebbe delineare un "elenco piuttosto esteso di elementi da revisionare o sostituire (da spuntare durante la manutenzione)". Questo programma tipicamente include intervalli basati su chilometraggio o tempo per cambi d'olio, filtri (aria, olio, benzina), candele, pastiglie dei freni, liquidi (freno, refrigerante se applicabile), ispezione delle cinghie di trasmissione e controllo generale dello stato di usura dei componenti.
- Procedure di Manutenzione e Riparazione (DIY): Per gli appassionati del "fai da te", il manuale offre una guida passo-passo per le operazioni di routine eseguibili "senza rivolgersi a un'officina meccanica professionale". Questo può includere la sostituzione di componenti facilmente accessibili, la pulizia di parti specifiche, la regolazione di carburatore o iniezione, e semplici interventi di riparazione. Le "immagini aiutano ancora di più" a visualizzare le procedure.
- Consigli sul Lavoro in Officina: Il manuale può integrare "molti consigli sul lavoro in officina", offrendo suggerimenti pratici su come utilizzare al meglio gli attrezzi, sull'organizzazione dello spazio di lavoro e sulle misure di sicurezza da adottare.
- Dati del Proprietario e Cronologia degli Interventi: Spazi dedicati per annotare i dati del proprietario, le date di acquisto, il chilometraggio iniziale, e una sezione per registrare tutti gli interventi effettuati ("ricostruito la storia della mia moto"). Questo è estremamente "utile se si vuole tenere traccia di ciò che è stato fatto quando e dove".

I Vantaggi di un Manuale Dedicato per la Gilera Typhoon 50
L'utilizzo di un manuale specifico per la Gilera Typhoon 50 porta con sé una serie di vantaggi tangibili e intangibili:
- Massimizzazione delle Prestazioni e Affidabilità: Una manutenzione basata sulle indicazioni del manuale assicura che il motore e gli altri componenti operino nelle condizioni ottimali per cui sono stati progettati. Questo si traduce in una maggiore efficienza, una migliore risposta dell'acceleratore e una generale affidabilità del mezzo.
- Prevenzione dei Guasti Costosi: Identificare e risolvere piccoli problemi prima che diventino critici può prevenire guasti maggiori e costosi interventi di riparazione. "Questo libretto di manutenzione non ha alcun costo e consente di effettuare la manutenzione della moto e di sapere cosa deve essere sostituito e quando".
- Mantenimento del Valore del Veicolo: Un veicolo con una cronologia di manutenzione completa e documentata tende a mantenere un valore di mercato più elevato. In caso di vendita, poter presentare un "fascicolo della vostra moto in una bella rilegatura" con tutti gli interventi registrati è un forte argomento a favore.
- Maggiore Sicurezza: Componenti critici come freni, pneumatici e sospensioni richiedono ispezioni regolari. Seguire le indicazioni del manuale per la loro verifica e manutenzione contribuisce direttamente alla sicurezza del pilota.
- Autonomia e Risparmio: Imparare a eseguire alcune operazioni di manutenzione di base autonomamente può portare a un notevole risparmio sui costi di manodopera delle officine.
- Comprensione Approfondita del Veicolo: Il manuale permette al proprietario di acquisire una conoscenza più profonda del proprio mezzo, comprendendo il funzionamento dei vari sistemi e l'importanza di specifiche procedure.
Affrontare la Sfida degli Scooter "Minori" e la Mancanza di Informazioni
La nota riguardo agli "scooter prodotti in serie dall'Asia" che sono "leggeri, maneggevoli, colorati e soprattutto economici" ma per i quali "non esistono centri di assistenza, ricambi (o per lo meno sono difficili da ottenere) e tantomeno informazioni tecniche" evidenzia una problematica comune a molti veicoli di piccola cilindrata o di marchi meno diffusi. In questi casi, un manuale di manutenzione diventa ancora più prezioso, quasi indispensabile.
La necessità di "improvvisare in caso di problemi" è un'esperienza che molti proprietari di scooter entry-level hanno dovuto affrontare. Un manuale ben fatto, come quello descritto da chi lo usa per la Peugeot Speedfight 1 del '99 ("La guida è molto utile. Tutto è descritto in modo dettagliato e le immagini aiutano ancora di più"), diventa uno strumento salvavita.
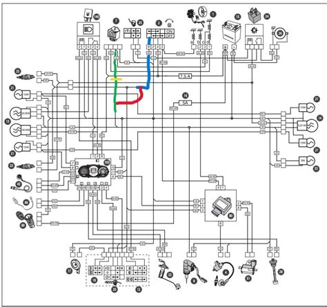
Gilera Typhoon 50ccm scooter CVT and carburetor maintenance / karburátor tisztítás és szíj csere
Oltre la Gilera Typhoon 50: L'Universalità di un Buono Strumento di Manutenzione
Sebbene il focus sia sulla Gilera Typhoon 50, l'utilità di un manuale di manutenzione si estende a tutti i tipi di veicoli a due ruote. L'esperienza di chi possiede una Honda Transalp 600v o una Aprilia Futura RST 1000 sottolinea come questi manuali siano "libri universali, con layout ben studiato", utili anche per "apparecchiature più vecchie dove spesso non c'è la carta di servizio".
L'idea di regalare un "Libro di servizio molto utile" a ogni nuovo cliente, come fanno alcuni professionisti, dimostra la percezione del valore intrinseco di questo strumento. Permette di avere "tutto in un unico posto", evitando la dispersione di informazioni che spesso finiscono "scritte tutto sul mio telefono" o perse.
Considerazioni Specifiche per la Gilera Typhoon 50
La Gilera Typhoon 50, pur essendo uno scooter dal design accattivante e dalle prestazioni divertenti, rientra in quella categoria di veicoli che beneficiano enormemente da una manutenzione proattiva. Il suo motore 50cc, sebbene semplice, richiede attenzioni specifiche per mantenere la sua vivacità e affidabilità nel tempo.
Un manuale dedicato dovrebbe considerare le peculiarità del motore Piaggio che tipicamente equipaggia questi scooter, incluse le procedure per la sostituzione della cinghia di trasmissione, la pulizia del variatore e della frizione, e la corretta gestione del sistema di raffreddamento (se a liquido).
La facilità di accesso ai componenti è un altro fattore. La Typhoon 50 è progettata per essere relativamente semplice da manutenere, e un manuale che sfrutti questa caratteristica, con istruzioni chiare e dirette, renderà l'esperienza ancora più gratificante per il proprietario.
La Scelta del Manuale Giusto: Qualità e Completezza
Quando si sceglie un manuale di manutenzione, è importante valutare la sua completezza e la qualità delle informazioni fornite. Un manuale che contiene "molti parametri diversi, di cui si ha bisogno in seguito e che si possono avere rapidamente a portata di mano" è un investimento prezioso.
La presenza di sezioni dedicate alla "ricostruzione della storia della mia moto" o alla registrazione di "cambi di immatricolazione, dei proprietari o anche dei cambi di pneumatici" aggiunge un ulteriore livello di utilità, trasformando il manuale in un vero e proprio diario di bordo del veicolo.
Infine, anche se la lingua può essere una barriera ("Non mi sono preoccupato di scoprire in quale lingua è scritto il libro"), la presenza di diagrammi chiari e immagini esplicative può superare molte di queste difficoltà, rendendo le procedure comprensibili anche a chi non è un esperto della lingua. Per la Gilera Typhoon 50, un manuale in italiano sarebbe ovviamente l'ideale, ma la qualità delle illustrazioni e la chiarezza delle procedure rimangono prioritarie.
In conclusione, possedere e utilizzare regolarmente un manuale di manutenzione specifico per la propria Gilera Typhoon 50 non è un optional, ma un pilastro fondamentale per garantire che questo divertente scooter continui a offrire prestazioni, affidabilità e piacere di guida per molti anni a venire. È uno strumento che parla di cura, consapevolezza e rispetto per il proprio mezzo.
